Le serrande in lamiera di acciaio zincato Munters SMT sono indicate per capannoni industriali, di allevamenti o serre. Per un controllo immediato sull’ingresso dell’aria fresca all’interno di un locale è possibile utilizzare una serranda Munters SMT.

Le serrande Munters SMT sono progettate per essere montate e bilanciate correttamente con gli estrattori d’aria Munters Euroemme per la massima efficienza energetica e di caduta di pressione.

L’aria proveniente dall’esterno viene aspirata nel locale attraverso una serranda Munters SMT aperta per mezzo di un estrattore d’aria.
Per una migliore efficienza aerodinamica e per ridurre le perdite di pressione, il design delle serrande Munters è stato sviluppato dal laboratorio di ricerca e sviluppo della Munters Euroemme.
La camera di prova del laboratorio è stata costruita in conformità alle norme ANSI/AMCA 210-85.
I particolari costruttivi e l’ermeticità della camera sono stati verificati dal personale del BESS Lab della facoltà di ingegneria agraria dell’Università dell’Illinois – USA.


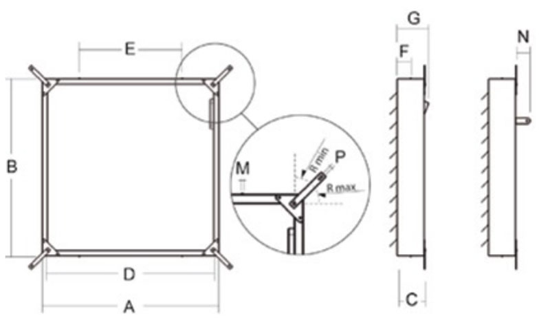
| A | B | C | D | E | F | G | M | N | P | R max | R min | |
| SMT24 | 745 | 735 | 100 | 644 | 354 | 38 |
115 | M8 | 43 | 7 | 130 | 120 |
| SMT30 | 950 | 995 | 100 | 847 | 557 | 38 | 115 | M8 | 43 | 7 | 130 | 120 |
| SMT36 | 1090 | 1085 | 100 | 985 | 695 | 38 | 115 | M8 | 43 | 7 | 130 | 120 |
| SMT50 | 1380 | 1380 | 100 | 1264 | 987 | 38 | 115 | M8 | 43 | 7 | 130 | 120 |
| Modello | SMT24 | SMT30 | SMT36 | SMT50 |
| Numero Palette | 5 | 7 | 8 | 10 |
| Volume Aria | 0,45 m² | 0,8 m² | 1,02 m² | 1,7 m² |
| Motorizzabile | SI | SI | SI | SI |
| Dimensione | 74,5 x 73,5 x 10 cm | 95 x 99,5 x 10 cm | 109 x 108,5 x 10 cm | 138 x 138 x 10 cm |
| Peso | 8,5 kg | 12 kg | 14 kg | 20 kg |
| Modello | SMT24 | SMT30 | SMT36 | SMT50 |
| Numero Palette | 5 | 7 | 8 | 10 |
| Volume Aria | 0,45 m² | 0,8 m² | 1,02 m² | 1,7 m² |
| Motorizzabile | SI | SI | SI | SI |
| Dimensione | 74,5 x 73,5 x 10 cm | 95 x 99,5 x 10 cm | 109 x 108,5 x 10 cm | 138 x 138 x 10 cm |
| Peso | 8,5 kg | 12 kg | 14 kg | 20 kg |