 
          
               
          
               
          
              I sollevatori elettrici Novamach NSDYG0511 e NSDYG0513 sono progettati per la movimentazione di carichi fino a 500 kg in magazzino e industria, con la capacità innovativa di autosollevarsi sul cassone del camion. Questi sollevatori combinano trazione manuale e sollevamento elettrico, permettendo operazioni sicure e rapide anche in contesti logistici complessi.
Dotati di batteria interna e caricabatteria integrato, i modelli NSDYG0511 e NSDYG0513 garantiscono autonomia immediata e gestione efficiente dei carichi, semplificando carico/scarico e trasporto.
Selezionabili da menù a tendina:


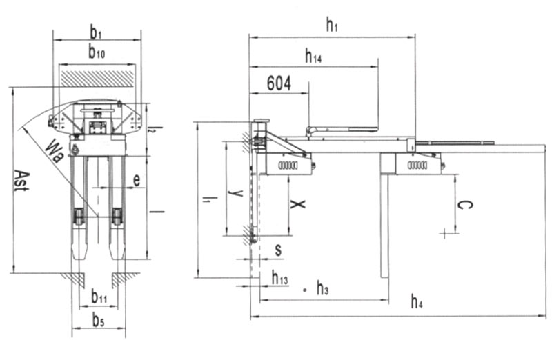
Il sollevamento elettrico permette altezze da 9 a 110 cm per NSDYG0511 e da 9 a 130 cm per NSDYG0513, con lunghezza forche regolabile da 115 a 160 cm e ingombro del montante variabile tra 140–270 cm e 160–290 cm rispettivamente. Il raggio di sterzata è di 110 cm per NSDYG0511 e 112 cm per NSDYG0513, mentre la velocità di sollevamento varia tra 80 e 110 mm/s a seconda del carico.
La struttura è completa di ruote in nylon (frontali 7x6 cm, posteriori 10x5 cm, pivottanti 4x2,6 cm) che garantiscono manovrabilità e scorrevolezza su superfici diverse. Il motore di sollevamento 12V/0.8A e la batteria interna 12V/33Ah con caricabatterie integrato assicurano autonomia e affidabilità per operazioni continue. Il peso netto varia da 197 kg (NSDYG0511) a 219 kg (NSDYG0513).
I sollevatori elettrici Novamach NSDYG0511 e NSDYG0513 movimentano carichi fino a 500 kg, combinando sicurezza e precisione anche in contesti industriali e logistici intensivi.
La funzione innovativa di autosollevamento permette al sollevatore di salire autonomamente sul cassone del camion, semplificando le operazioni di carico/scarico senza ausilio di rampe.
La combinazione di sollevamento elettrico e trazione manuale assicura controllo totale del carico, velocità regolabile e riduzione dello sforzo operativo.
I modelli dispongono di batteria interna da 12V/33Ah e caricabatterie integrato, garantendo autonomia immediata, gestione semplice e operazioni continue senza interruzioni.
Le ruote frontali, posteriori e pivottanti in nylon assicurano manovrabilità ottimale, stabilità e scorrevolezza su pavimenti industriali, riducendo attrito e usura.

| Modello | NSDYG0511 | NSDYG0513 | 
| Tipologia | Sollevatore Elettrico | Sollevatore Elettrico | 
| Trazione | Manuale | Manuale | 
| Altezza Max Forche | 9÷110 cm | 9÷130 cm | 
| Lunghezza Forche | 115÷160 cm | 115÷160 cm | 
| Lunghezza Esterna Forche | 53,5 cm | 53,5 cm | 
| Ingombro Montante | 140÷270 cm | 160÷290 cm | 
| Raggio Sterzata | 110 cm | 112 cm | 
| Portata | 500 kg | 500 kg | 
| Ruota Frontale | Nylon - 7 x 6 cm | Nylon - 7 x 6 cm | 
| Ruota Posteriore | Nylon - 10 x 5 cm | Nylon - 10 x 5 cm | 
| Ruota Pivottante | 4 x 2,6 cm | 4 x 2,6 cm | 
| Velocità Sollevamento (scarico) | 110 mm/s | 110 mm/s | 
| Velocità sollevamento (pieno carico) | 80 mm/s | 80 mm/s | 
| Velocità Discesa | 80 mm/s | 80 mm/s | 
| Motore Sollevamento | 12V0.8 | 12V0.8 | 
| Voltaggio Batteria | 12/33 V/Ah | 12/33 V/Ah | 
| Peso Batteria +/- 5 % | 10 kg | 10 kg | 
| Dimensioni Indicative | 160 x 79 x 140 cm | 160 x 79 x 160 cm | 
| Peso Netto | 197 kg | 219 kg | 
| Carica Batterie | Interno | Interno | 
| Batteria | Interna | Interna | 
| Modello | NSDYG0511 | NSDYG0513 | 
| Tipologia | Sollevatore Elettrico | Sollevatore Elettrico | 
| Trazione | Manuale | Manuale | 
| Altezza Max Forche | 9÷110 cm | 9÷130 cm | 
| Lunghezza Forche | 115÷160 cm | 115÷160 cm | 
| Lunghezza Esterna Forche | 53,5 cm | 53,5 cm | 
| Ingombro Montante | 140÷270 cm | 160÷290 cm | 
| Raggio Sterzata | 110 cm | 112 cm | 
| Portata | 500 kg | 500 kg | 
| Ruota Frontale | Nylon - 7 x 6 cm | Nylon - 7 x 6 cm | 
| Ruota Posteriore | Nylon - 10 x 5 cm | Nylon - 10 x 5 cm | 
| Ruota Pivottante | 4 x 2,6 cm | 4 x 2,6 cm | 
| Velocità Sollevamento (scarico) | 110 mm/s | 110 mm/s | 
| Velocità sollevamento (pieno carico) | 80 mm/s | 80 mm/s | 
| Velocità Discesa | 80 mm/s | 80 mm/s | 
| Motore Sollevamento | 12V0.8 | 12V0.8 | 
| Voltaggio Batteria | 12/33 V/Ah | 12/33 V/Ah | 
| Peso Batteria +/- 5 % | 10 kg | 10 kg | 
| Dimensioni Indicative | 160 x 79 x 140 cm | 160 x 79 x 160 cm | 
| Peso Netto | 197 kg | 219 kg | 
| Carica Batterie | Interno | Interno | 
| Batteria | Interna | Interna | 
La nostra officina è in grado di garantire interventi di riparazione efficienti e professionali: rapidità; d'intervento, competenza e disponibilità sono i nostri punti di forza.
Acquistando da Indors avrete acquistato anche la tranquillità: il nostro Servizio d'Assistenza e Riparazioni garantisce soluzioni rapide e tempestive per qualsiasi problema grazie alla sicura disponibilità; delle parti di ricambio, la vostra attrezzatura sarà sempre efficiente e disponibile nell'arco di pochi giorni ad un costo sempre contenuto. Maggiori Informazioni